タイマーICの使い方 - 無安定マルチバイブレータ版 [Arduino]
無安定マルチバイブレータはHIGHとLOWを交互に繰り返す発振回路です。
今回はタイマーICの「NE555P」を使用して発振回路でLEDを点滅させます。発振回路は「2本の抵抗器」と「1つのコンデンサ」を使用する事により「周波数、周期、デューティ比」を自分で調整する事が可能です。

関連記事:単安定マルチバイブレータ版
使用部品・材料
総額で約560円です。(Arduino本体の値段を除く)
部品/材料 | 値段 | 備考 |
---|---|---|
サンハヤト SAD-101 ニューブレッドボード | ¥500 | Amazon.com |
タイマーIC NE555P | ¥25 | 秋月電子の通販コード(I-08344) |
電解コンデンサー100μF25V85℃(ルビコンPK) | ¥10 | 秋月電子の通販コード(P-03122) |
セラミックコンデンサ 0.01μF50V | ¥5 | 秋月電子の通販コード(P-11150) |
5mm赤色LED OSDR5113A | ¥20 | 秋月電子の通販コード(I-11655) |
カーボン抵抗器 | 数円 | 10kΩ(1個)、1kΩ(2個)、220kΩ(1個)を使用。 |
コンデンサ(C)や抵抗器(RA及びRB)は任意の値に変更可能です。
配線図
「RAに10kΩ、RBに1kΩ、Cに100μF」を使用することにより、次の設定でLEDを点滅させます。(計算式や自動計算は後述)
周波数 | 1.2Hz |
---|---|
周期 | 831.6ms (HIGH時間 : 762.3ms / LOW時間 : 69.3ms) |
デューティ比 | 91.67% |

配線図

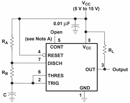
次は公式データシートより(ne555p.pdf)
ピン配置

GND | グラウンド |
---|---|
TRIG | トリガー(引金) |
OUT | アウト(出力) |
RESET | リセット |
CONT | カウント |
THRES | スレッショルド(閾値) |
DISCH | ディスチャージ(放電) |
VCC | 動作電源 |
回路図(Astable Operation)

周波数の計算式

HIGH、LOW時間の計算式

周波数、周期、デューティ比の自動計算
抵抗値(RA) | kΩ |
抵抗値(RB) | kΩ |
コンデンサ容量(C) | μF |
※小数点を入力可能です。
スケッチ(プログラム)
今回はスケッチを使用していません。
関連記事
スポンサーリンク
掲示板
ArduinoやRaspberry Piなどの電子工作の掲示板を作成しました。質問やわからない事は電子工作 (Arduino・ラズパイ等)でユーザー同士で情報を共有して下さい。
関連記事
公開日:2017年08月27日
記事NO:02543
プチモンテ ※この記事を書いた人
![]() | |
![]() | 💻 ITスキル・経験 サーバー構築からWebアプリケーション開発。IoTをはじめとする電子工作、ロボット、人工知能やスマホ/OSアプリまで分野問わず経験。 画像処理/音声処理/アニメーション、3Dゲーム、会計ソフト、PDF作成/編集、逆アセンブラ、EXE/DLLファイルの書き換えなどのアプリを公開。詳しくは自己紹介へ |
🎵 音楽制作 BGMは楽器(音源)さえあれば、何でも制作可能。歌モノは主にロック、バラード、ポップスを制作。歌詞は抒情詩、抒情的な楽曲が多い。楽曲制作は🔰2023年12月中旬 ~ |